A partir de 180€ y 3 productos, ENVÍO GRATIS a Península en 24-48h - Stock Permanente
Calefacción gasoil Planar Autoterm 44D DELUXE 12V 4KW AUTOCARAVANA CAMPER - Ref. 18183
Disponible Envíos de 24-48 horas
678,90 €
IVA incluido
Referencia
18183

Descripción


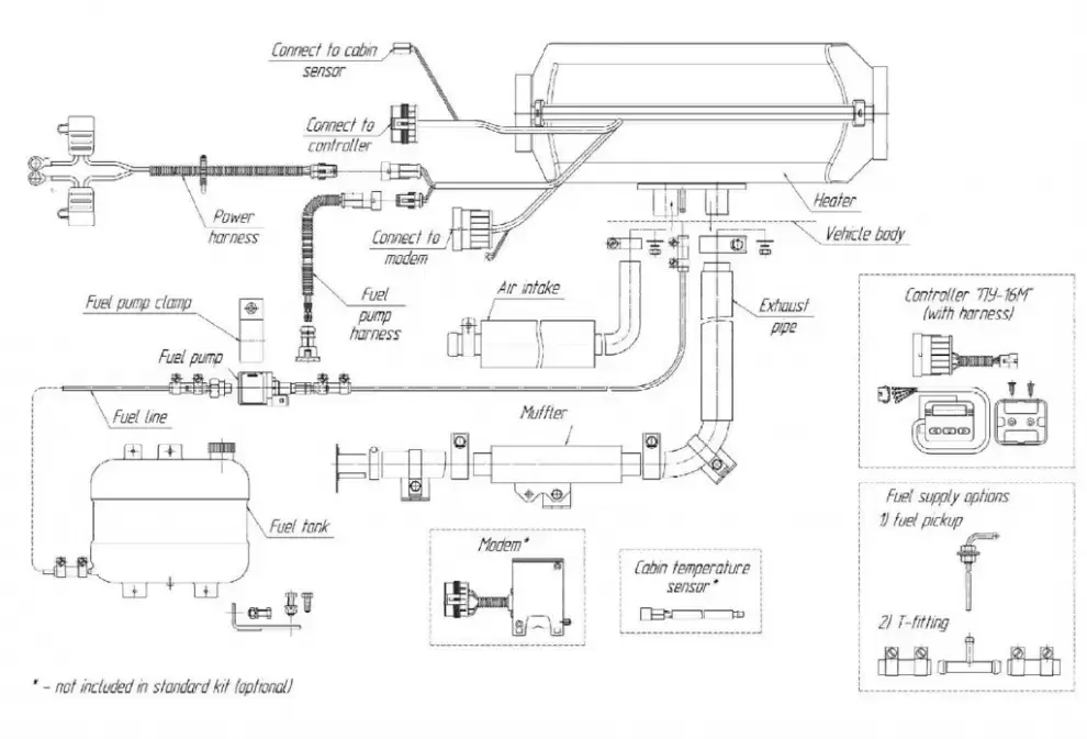
Calefacción gasoil Planar Autoterm 44D DELUXE 12V 4KW AUTOCARAVANA CAMPER MANDO DIGITAL

Robusteza calentador de aire diésel de 4kW para 12 V con nueva pantalla OLED e incluye kit completo, tanque adicional y silenciador de escape, ideal para grandes cantidades, furgonetas, camiones y barcos.

El Planar 44D es un calentador de aire diésel de 4 kW de Planar (Advers). Es una alternativa a un precio razonable para modelos similares bei espar o Webasto, a saber, el Airtronic D4. El kit contiene todo lo que necesita para la instalación, incluida una unidad de control e incluso un pequeño tanque de combustible. 

La unidad de control digital  permite un control preciso de la temperatura o del nivel de potencia. También hay un cable para interruptores externos o remotos de fabricación propia. También puede adjuntar un envío de temperatura adicional para colocarlo en la sala de estar o área de dormir.
 

Este calentador está equipado con un kit automático de gran altitud. Eso significa que el calentador ajustará automáticamente las cantidades de inyección de combustible a los niveles más bajos de oxígeno a medida que la presión del aire disminuye con la altitud. Por lo tanto, el hollín de la cámara de combustión puede minimizarse drásticamente. Nota: Por supuesto, la potencia máxima alcanzable se reduce proporcionalmente a la cantidad de oxígeno en el aire. El algoritmo empleado es un poco más sofisticado, pero en términos generales, se pierde aproximadamente el 5% de la potencia por cada 500 metros por encima de los 2000 m.

Este calentador ha sido probado por el fabricante hasta 2500mtrs. El software en sí mismo calcula las cantidades de inyección incluso a 5000 m de altitud, pero esta configuración solo se ha probado en altitudes más bajas. Entonces, mientras que en teoría debería poder lograrse una quemadura consistente, no tenemos realimentación del mundo real al respecto. Todavía.

Importante: el  funcionamiento de un calentador a grandes altitudes requiere muy buenos ventiladores. Eso significa que, lo mejor es que no haya conductos de aire caliente conectados al calentador, ya que la entrada de la cámara de combustión y de escape debe ser lo más corta posible. Cuanto menor sea la resistencia en todos estos conductos, cuanto más libremente pueda girar el ventilador, más aire podrá introducir en la cámara de combustión. ¡Por favor tenlo en mente!

En cualquier caso, tenga en cuenta: las grandes altitudes siempre se encontrarán con un compromiso técnico de algún tipo. Para periodos de tiempo más largos (por ejemplo, semanas frente a días), deberá cuidarse para que la cámara de combustión alcance la temperatura. Si eso no es posible, el hollín en la cámara de quemaduras se producirá lentamente de todos modos, al igual que con los calentadores que se utilizan solo en la configuración de potencia más baja, incluso a una altitud cero. Entonces, haga lo que haga, tal como ha sido el caso hasta ahora: no hay garantía para cámaras de combustión remendadas. Nunca hubo y nunca habrá, ni siquiera con el kit de gran altitud.

Por lo tanto, deje que el calentador se queme regularmente a la configuración de potencia más alta, preferiblemente a bajas altitudes. En general, para todos los casos de uso, eso significa al menos cada 1-2 semanas durante media hora a plena potencia, para deshacerse de cualquier acumulación de carbono que pueda haber ocurrido. Eso es todo lo que tiene que hacer en términos de servicio a un calentador de diesel.

Para aquellos casos especiales muy raros con semanas de permanencia en altitudes de más de 4000 metros, suponemos que una limpieza de la cámara de combustión debería ser factible cuando comienzan los problemas.

Todos los calentadores Planar tienen la marca (e2) certificada, lo que permite su instalación en todos los vehículos dentro de la Unión Europea sin consultar a las oficinas de TÜV o MOT (o como se llamen en su país ...;)) Por favor, no: Los orificios de montaje, etc. son idénticos a Espar, para que pueda simplemente reemplazar uno de esos sin tener que modificar nada. 

Datos técnicos:

Voltaje de funcionamiento: 12V

Salida de calor: 1kW (min), 4kW (max)

Eficiencia de combustible: 0.12ltr / hr (min), 0.514ltr / hr (max)

Potencia nominal: 10W (min), 62W (max)

Flujo de aire: 70m³ / h (min), 120m³ / h (max)

Lista de empaque:

Calentador 12V

Unidad de control digital PU-27 (longitud del cable 1.8m)

bomba de combustible "Thomas Magnet P327"

soporte de montaje de goma de la bomba de combustible

bomba de combustible del arnés de cableado

calentador del arnés de cableado

manguera de admisión de aire con silenciador

manga de protección contra el calor

tubo de escape extremo de la pantalla + abrazadera

tubo de admisión de combustible

Línea de combustible de plástico de 5,5 m

Tanque de combustible plástico 7l + 3 soportes de montaje

Conexión de línea de combustible universal de goma de 300mm

Tubo de escape de 1 m, flexible

silenciador de escape, acero inoxidable incluido (!!)

Tornillos de tuercas, tubo retráctil, bridas, ...

manual

Dimensiones : Vea las imágenes 

Dimensiones del tanque de combustible:

ancho: 33 cm + 3 cm 
altura de salida de combustible: 26,5 cm + soporte de montaje de 3 cm + 4,5 cm 
profundidad del cuello de llenado : 10 cm 

Peso del calentador desnudo: 5,5 kg

NUEVO FORMATO DE MANDO, COMPROBAR IMAGEN ADJUNTA

Ver más
Cetelem